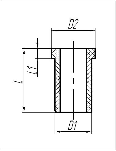
Deprecated: preg_replace(): The /e modifier is deprecated, use preg_replace_callback instead in /home/aqq8066/public_html/argoplast.ru/engine/modules/show.full.php on line 244 Deprecated: preg_replace(): The /e modifier is deprecated, use preg_replace_callback instead in /home/aqq8066/public_html/argoplast.ru/engine/classes/templates.class.php on line 49 Deprecated: preg_replace(): The /e modifier is deprecated, use preg_replace_callback instead in /home/aqq8066/public_html/argoplast.ru/engine/classes/templates.class.php on line 45 Deprecated: preg_replace(): The /e modifier is deprecated, use preg_replace_callback instead in /home/aqq8066/public_html/argoplast.ru/engine/classes/templates.class.php on line 49 Бурт трубный полипропиленовый пожаростойкий AntiFire® D90 | АРГОпласт